Reuse of post scouring washing water as desizing washing water in continuous pretreatment machines
Technical description
Today, woven fabric made of cotton or cotton/polyester blends is usually continuously pre-treated. This pretreatment consists of desizing, scouring, and bleaching with associated washing operations, i.e. wash boxes each after desizing, scouring, and bleaching. Further, depending on the desired quality, the fabric is also mercerized. Many industries already practice counter-current washing which means counter-current washing to wash out sizing agents, and to wash the fabric after scouring and bleaching. An example is given in Figure 7. The consumption of water of this real plant is 16 l/kg whereas each of the three washing steps can be operated with 4 l/kg each, i.e. with a total water consumption of 12 l/kg in total (Textile BREF, 2003).
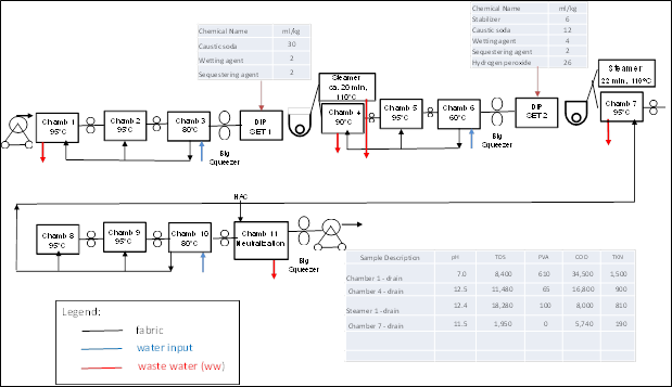
In the continuous pretreatment machine, the scouring wash water can be reused as desizing washing water by directing discharge pipeline of scouring section wash water into the supply line of desizing wash boxes (See Figure-8). For desizing washing, high quality water is generally not required and scouring wash water can be a good option for such type of washing.

Note: Water inputs and wastewater outputs are indicated with blue and red arrows respectively; the chemicals input is also mentioned as well as the analysis of individual wastewater streams
In the continuous pretreatment machine, the scouring wash water can be reused as desizing washing water by directing discharge pipeline of scouring section wash water into the supply line of desizing wash boxes (See Figure-8). For desizing washing, high quality water is generally not required and scouring wash water can be a good option for such type of washing.
Figure 8: Three counter-currently operated washing boxes for desizing as part of a continuous pre-treatment machine (line)

Achieved environmental benefits:
- Water conservation
- Thermal energy conservation (reduction in steam for heating the washing water)
- Reduction in greenhouse gases (reduction in fuel due to reduced steam demand)
- Reduction in the hydraulic load of the wastewater treatment plant
Operational data:
The influence of pH and fluff content should be checked for the use of scouring washing water for desizing washes. In case of fluff issues, the scouring washes should be passed through the screens prior to feeding into desizing wash boxes. The scouring wash water supply should be directed to the desizing wash boxes while bypassing the heat exchanger.
The implementation of this option will significantly reduce water and steam consumption in the pretreatment machine. The water in the range of 100 to 170 m3/d (34,000 – 51,000 m3/yr) can be reduced. Its value is USD 55,000/yr (Rs. 8.25 million/yr). The potential of savings can vary from industry to industry. However, the potential is significant due to the reduction in thermal energy which has a substantial cost.
Cross-media effects:
- Reduction of fluff emissions to wastewater (if scouring washes are passed through the screens); thus, fluff has to be disposed of (solid waste emission)
Technical considerations relevant to applicability:
This measure is applicable to all those woven fabric processing industries where continuous pretreatment machines are used for desizing, scouring, and bleaching. This measure does not require any major intervention in the process, no major infrastructure development, and no technical human resource requirement. Only the discharge pipeline of the post-scouring washing (or post-bleaching washing) water will be directed towards the inlet of desizing washing water.
The implementation cost will be USD 2,660 (Rs. 400,000) for the collection sump, pipelines, and small pump (if required).
Economics:
Capital cost = USD 2,660 (Rs. 400,000)
Annual saving = USD 55,000 (Rs. 8.25 million)
Annual O&M cost = USD 3,660 (Rs. 550,000)
Simple payback period = < 1 month
An additional benefit will be the reduction in hydraulic load and treatment cost of the wastewater treatment plant.
Driving force for implementation:
- Financial benefits
- Resource conservation
- Sustainability of textile business
Reference industry:
- Kohinoor Mills Limited, Raiwind Manga Road, Lahore
- Sarena Industries & Embroidery Mills (Pvt) Ltd, Sheikhupura Road, Lahore
Reference Literature:
European Commission (2003), Reference Document on Best Available Techniques for the Textiles Industry, https://eippcb.jrc.ec.europa.eu/sites/default/files/2019-11/txt_bref_0703.pdf
Back
